END FORGING OF THICKWEB ASYMMETRIC RAIL ~ MECHTECH GURU

END FORGING OF THICKWEB ASYMMETRIC RAIL

END FORGING OF THICKWEB ASYMMETRIC RAIL

Introduction

  • High-speed railways are changing the concept of rail transport profoundly in these years.
  • Dozens of countries including Indian railway are building fast rail networks to connect cities and regions. 
  • To overcome some of the limitations of over riding switches, RDSO has designed thick web switches (TWS). These switches tongue rails are made of Thick Web Asymmetrical (TWA) Rails.
  • End forged thick web asymmetric rails are used as tongue rails of thick web switches.
  • Thick web asymmetric rails are called as switch rail.
  • Purpose of End forging of asymmetric rail to connect tongue rails with existing railway track (60E1/UIC 60 kg & 52 kg)
  • End forging of 880/R260 Grade asymmetric rail is done into symmetric, 60kg UIC/60E1/IRS 52 rail section for making of thick web switches & TWSEJ.
  • The end forging of asymmetric rail shall be carried out by an automatic closed die forging process i.e. called pressure die forging.
  • Heating for forging purpose shall be done in automatically controlled induction heating furnace with controlled atmosphere. 
  • In case of multi stage forging, change of dies should be automatic. 
  • The forging press shall be of adequate capacity for achieving the designed profiles. 
  • To improve the physical and metallurgical properties normalizing shall be done in induction furnace.
  • At the end of the forging, the forgings should require very little or no straightening to avoid introduction of residual stresses in the end forged portion.
  • The area of cross section on the entire forged portion shall be adjusted to the required measurements by machining in CNC milling. 
  • Final finishing of the forged transition shall be performed by CNC Milling Machine. 
  • The manufacturer shall submit gauges for checking the cross-sectional dimensions for approval to RDSO. 
  • Complete decarburized surface created due to heating and forging process to be removed up to 60kg UIC/60E1 rail profile and beyond that only on head table by milling operation. No black spots etc. will be seen after machining operation.
  • Drawing of asymmetrical rail along with proposed forging details shall be submitted by the supplier and same will be approved by RDSO before forging of the rail.
  • The rails satisfying the stipulations specified above shall only be used for forging, minimum length of forged section with desired rail profile shall be 500mm at web and 470 mm at foot and transition length of forging shall be in the range of 150-200mm.
  • The forged portion shall be smooth and variation in cross section in the transition portion shall be uniform without notches, dents, projections or surface flaws.
  •  There shall be no internal defects, no cracks or overlaps in the forged portion which shall be tested for internal defects by Ultrasonic Testing and for cracks/flaws by Dye-Penetrant Test (DPT)/Magnetic Particle Test (MPT).
  • Each and every rail shall be given an identification heat number which shall be painted on the non-forged area of the rail. 
  • Record shall be maintained to link the rail, by its identification number to the cast No./Heat No. of the rail given by the rail manufacturer. 
  • The identification number shall be used for the traceability of the rail for all internal quality records and operations.
  • Further, for easy identification, each TWA rail End Forged to 60E1 profile rail shall have legible unique identification, punched at the foot of end forged length. 
The Unique Identification shall to be given as ABCMMYYXXXXX,
where, ABC = first, second & third character will denote “Firm’s Initial” 
MM = fourth & fifth character will denote “Month of forging” 
YY = sixth & seventh character will denote “Year of forging” 
XXXXX = eighth, ninth, tenth, eleventh & twelfth character will denote Serial number of forging”, starting from 00001 every calendar year. 

RAIL PROFILES & GRADES



RAIL PROFILES & GRADES

RAIL PROFILES & GRADES INVOLVES IN FORGING

RAIL PROFILES & GRADES INVOLVES IN FORGING



RAIL PROFILE: IRS 52 

RAIL PROFILE: IRS 52

RAIL PROFILE: IRS 52 





RAIL PROFILE: 60E1

RAIL PROFILE: 60E1

RAIL PROFILE: 60E1





RAIL PROFILE: UIC 60 

RAIL PROFILE: UIC 60

RAIL PROFILE: UIC 60 




RAIL PROFILE: Zu-1-60

RAIL PROFILE: Zu-1-60

RAIL PROFILE: Zu-1-60





RAIL PROFILE: 60E1A1

RAIL PROFILE: 60E1A1

RAIL PROFILE: 60E1A1



RAIL PROFILE: 49E1A1



RAIL PROFILE: 49E1A1

RAIL PROFILE: 49E1A1




CHEMICAL COMPOSITION OF RAIL STEELS

CHEMICAL COMPOSITION OF RAIL STEELS




TYPES OF THICK WEB SWITCHES & LENGTH OF RAILS USED

TYPES OF THICK WEB SWITCHES & LENGTH OF RAILS USED





SPECIFICATIONS
SPECIFICATIONS for Thick web switch and end forged asymmetric rail




PROCESS OF END FORGING OF TWA RAILS


PROCESS OF END FORGING OF TWA RAILS

PROCESS OF END FORGING OF TWA RAILS



INSPECTION OF END FORGED TWA RAILS


Inspection Regime for End Forged TWA Rail of 60E1A1 & 49E1A1 Rail Profile (Grade 880/R260) as per IRST-62-2022

1. Inspection of TWA Rail of 60E1A1 & 49E1A1 rail profile on receipt at End Forging Plant. 

2.  Inspection at End Forging Plant of process approval to be done generally once for a particular plant (03 samples for initial 500 forgings). 

3. Inspection of End of TWA Rail of 60E1A1 & 49E1A1 rail profile into 60kg UIC/60E1 & IRS 52 Kg rail section respectively process approval (at End Forging Plant) 

4. Inspection of End Forged TWA Rail at the works premises of Thick Web Manufacturer 


The tolerances on dimensions and end straightening of end forged rail shall comply with relevant clauses of IRS:T-12-2009 (clause 9),as amended from time to time. Forged rail shall pass at least in ‘B’ class category as mentioned in Clause 9.4.1 & 9.4.2 of IRS T-12-2009, as amended from time to time. 


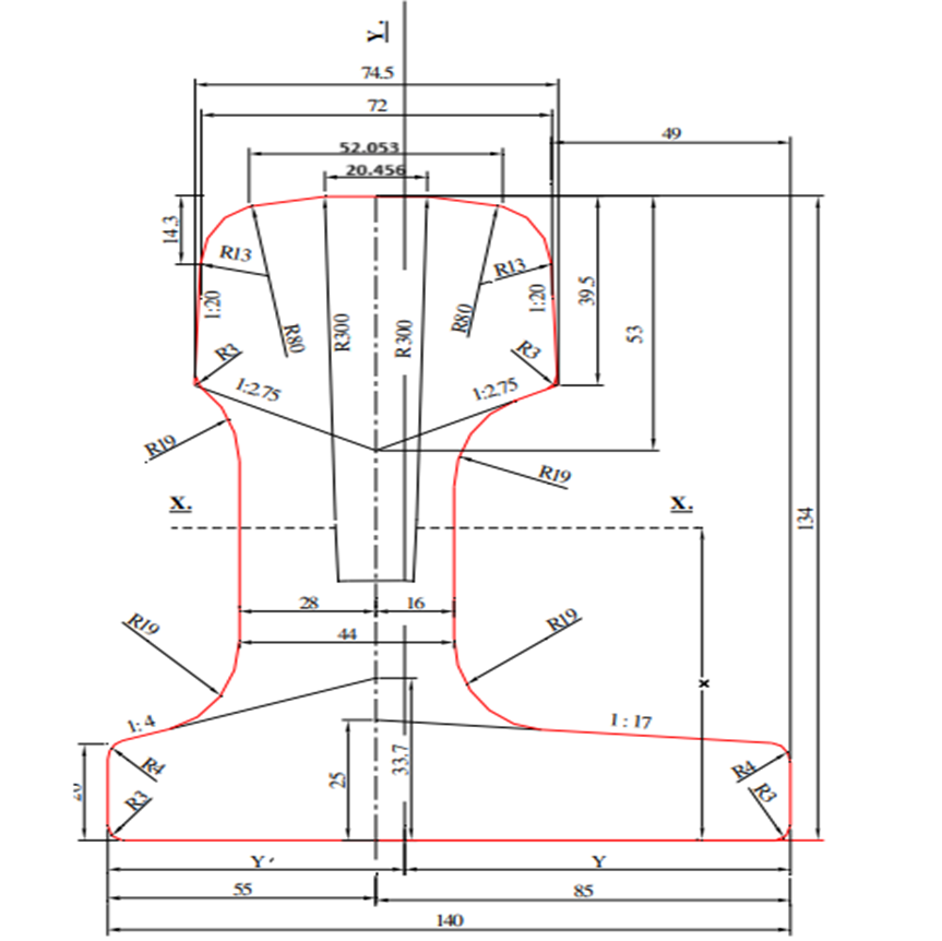
DIMENSIONS of TWA END FORGED RAIL

Dimensions of End Forged TWA Rails as per IRST-12-2009(60 E1 Profile) & IRST-62 -2022 (60 E1A1 Profile)
Dimensions of End Forged TWA Rails as per IRST-12-2009(60 E1 Profile) & IRST-62 -2022 (60 E1A1 Profile)



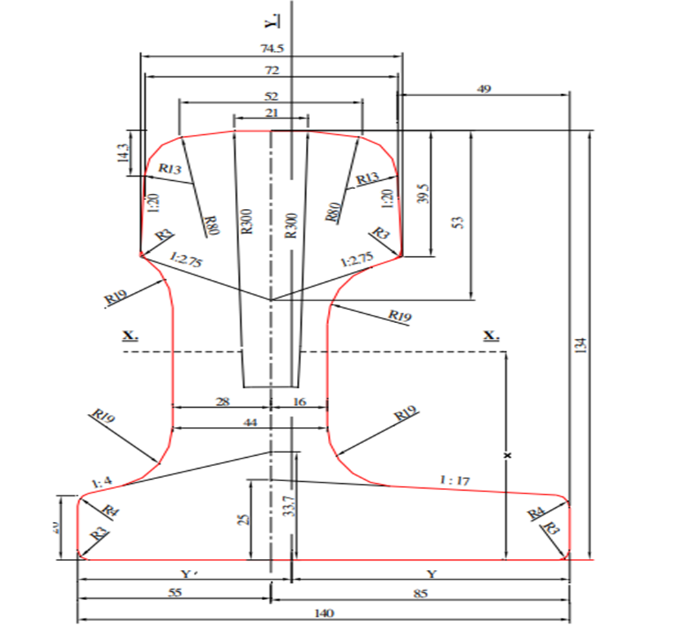
END FORGING OF TWA 60E1A1 Rail


DRAWING OF END FORGING OF TWA 60E1A1 Rail






END FORGING OF TWA 60E1A1 Rail




PHYSICAL & METALLURGICAL PROPERTIES of END FORGED TWA RAIL


PHYSICAL & METALLURGICAL PROPERTIES of END FORGED TWA RAIL



Note: 
Location of critical zone for Hardness Testing for regular inspection shall be specified by RDSO in process approval letter and lower hardness will be acceptable HAZ & transition zone as per IRST-62.

In case of process approval Para 3.5 of IRST-62 will be applicable for hardness testing



PHYSICAL & METALLURGICAL PROPERTIES of END FORGED TWA RAIL

  • The micro structure shall be pearlitic but grain boundary ferrite may occur in these grades. 
  • The maximum grain boundary ferrite permitted is shown in the Figure shown below  (Ref : EN 13674-2: 2006). There shall be no martensite, bainite or grain boundary cementite. 
  • Microstructure analysis should be carried out for one forging per 500 forgings done. 
  • Tensile test shall be done on the symmetrical portion of the forged rail, if straightening operation is carried out, tensile test will be done after straightening. 
  • This test shall be conducted as per clause 17 of IRS-T-12-2009, as amended from time to time. The frequency of the test shall be 1 in 500. 
The maximum grain boundary ferrite permitted is shown in the Figure shown below  (Ref : EN 13674-2: 2006). There shall be no martensite, bainite or grain boundary cementite.



NON- DESTRUCTIVE TESTING

NON- DESTRUCTIVE TESTING






Previous
Next Post »

Popular Post